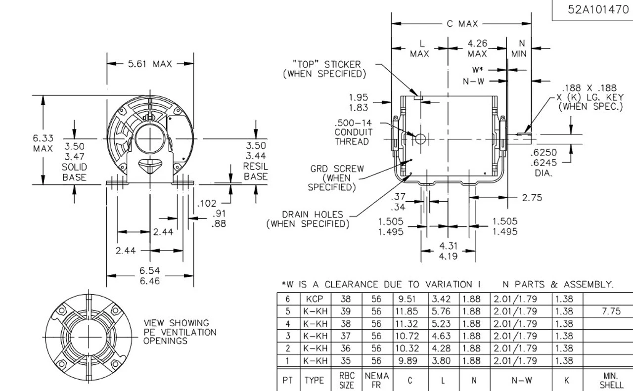
- 3/4 hp 1800 RPM, 11.2 amps, 115 Volts 60 Hz, Split Phase
- NEMA 56 Frame keyed Shaft 1-7/8″ x 5/8″ Diameter, 1 speed
- Service Factor = 1.0, Thermal Protection = Auto
- Resilient Base, Reversible, Ball Bearings, Class B insulation
- 1 Year Manufacture Warranty
Blower motors are used to blow air inside of buildings. Shaft may be vertical or horizontal. ODP = Open Drip Proof.
Marathon Model: 5KH39QN9541T
Suggested replacement reference for: 317P177, 317P427, 317P428. Dayton 48Z095, Century GK2074
















Reviews
There are no reviews yet.