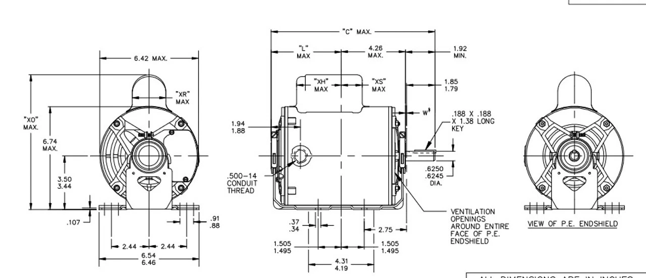
- 1/3 hp 1200 RPM, 8.6/4.3 amps, 115/230 Volts 60 Hz, Capacitor Start
- NEMA 56 Frame Keyed Shaft 1 7/8″ x 5/8″ Diameter, 1 speed
- Service Factor = 1.35, Thermal Protection = None
- Resilient Base, Reversible, Ball Bearings, Class B insulation
- 1 Year Manufacture Warranty
Blower motors are used to blow air inside of buildings. Shaft may be vertical or horizontal. ODP = Open Drip Proof. 5KC49PN6051















Reviews
There are no reviews yet.