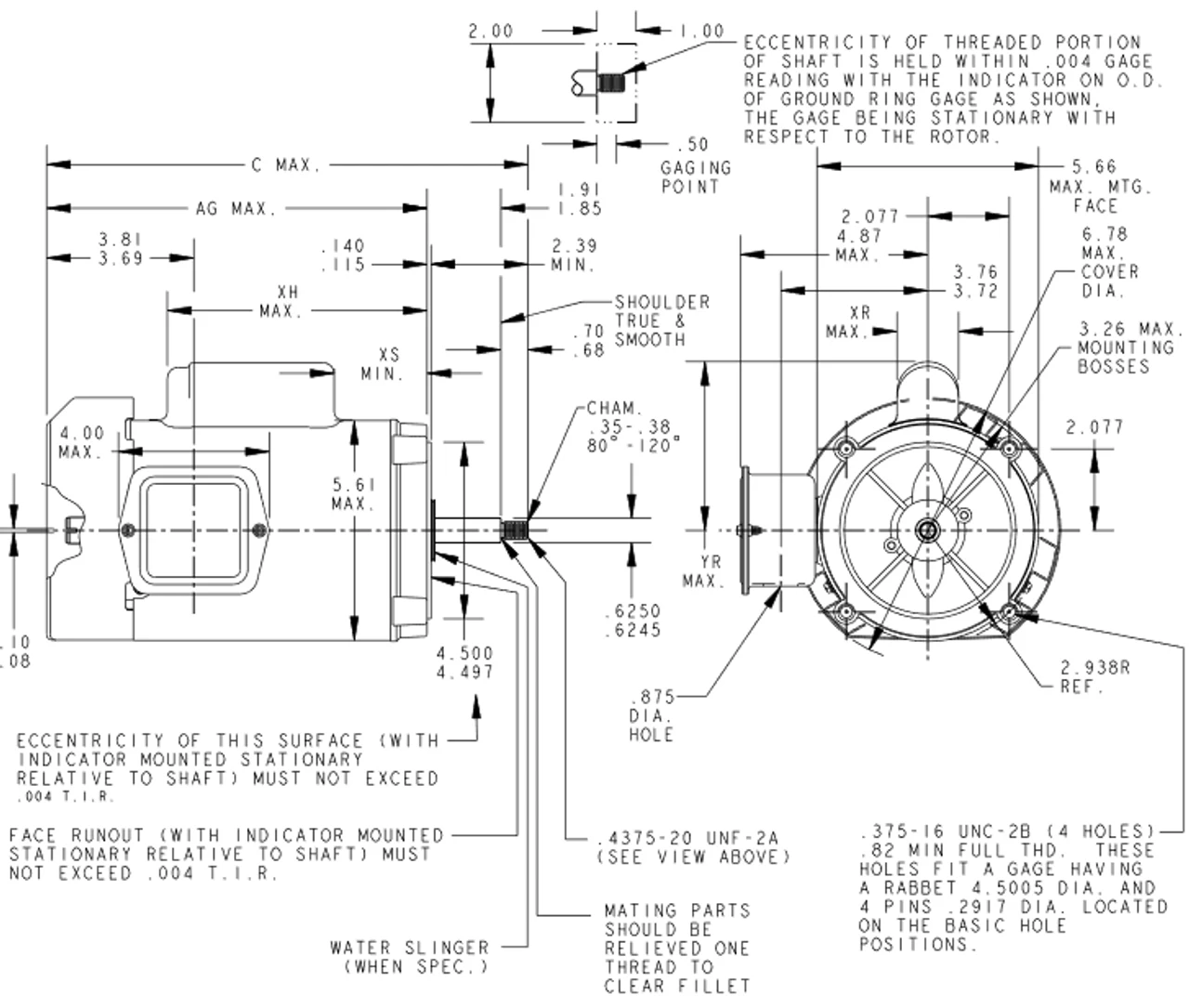
- 1/2 hp 3600 RPM, 7.4/3.7 amps, 115/230 volts, Capacitor Start / Induction Run
- NEMA 56J Frame, 5’8″ dia. by 1-5/8″ long threaded stainless steel shaft, 60 Hz
- Service Factor: 1.15, Overload protection: Auto
- No base, CW rotation viewed opposite shaft end, Ball Bearings; Class B Insulation
- 1 Year Manufacture Warranty
Spa pump motor. Not for pool use due to lack of suction cut-off. TEFC = Totally Enclosed Fan-Cooled, 5KC39QN3218X
















Reviews
There are no reviews yet.