- 1/5 hp, 20 RPM, 1.05/2.05 amps, 115/230 volts, 60/50Hz.
- Run Torque 500 inch pounds
- Rotation = Reversible
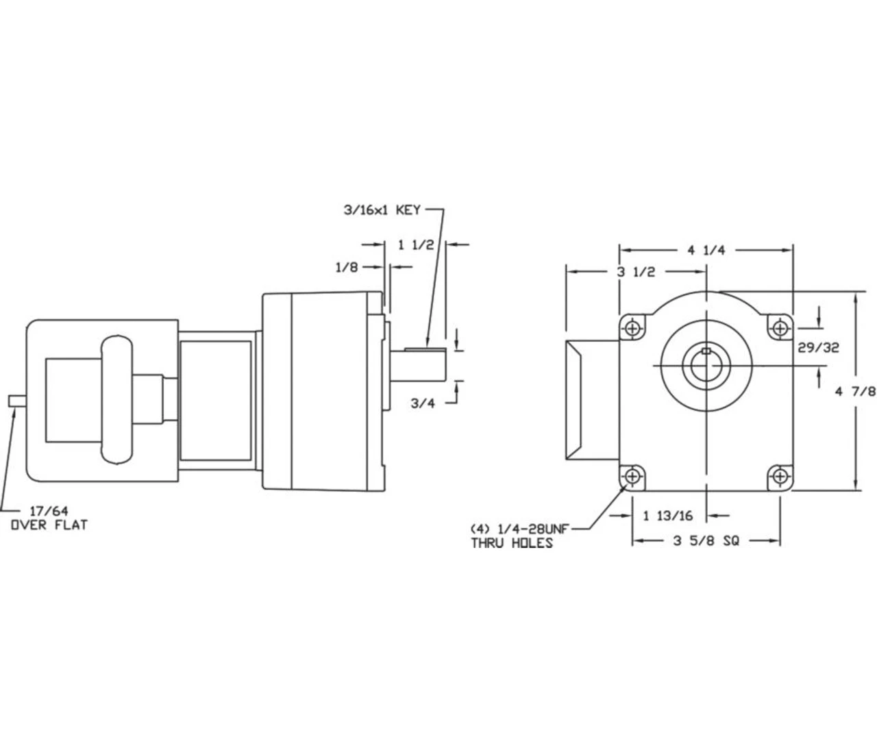
- Shaft: 3/4″ x 1 1/2″
- Over Hung Pounds = 400
- One Year Manufacture Warranty
REF # V00323AB114, Capacitor included, Optional Magnetic Disc Brake available Model 5X400. (OLD # 2H441 discontinued, this is the replacement motor)












Reviews
There are no reviews yet.