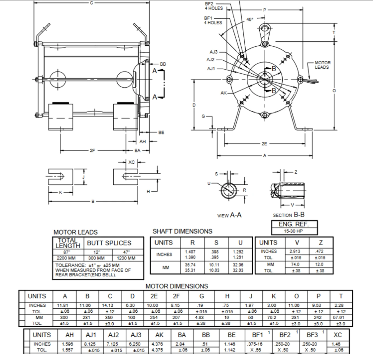
- 25 HP 3600 RPM, 69.0/35.0 amps, 230/460V 60 Hz. 3 Phase.
- NEMA 160ZBS Zinc Plated Steel Frame, 32 mm ZBS shaft
- 1.0 Service Factor, Class F insulation
- Reversible Rotation, 112″ leads
- Horizontal Foot Mount, Single Ball Bearing Design to fit most Allweiler and IMO pumps
Motor designed for replacing elevator motors on low rise buildings with Z-flanged motors from Allweiler Pumps (SUB 140, 210, 280) and IMO Pumps (3SIC-187, 3SIC-200, 3SIC-218, 3SIC-250, 4SIC-275). Also used on L32 Flanged motors from Allwieler (SUA 140, 210, 280, 440) 1 Year Manufacture Warranty. J202












Reviews
There are no reviews yet.