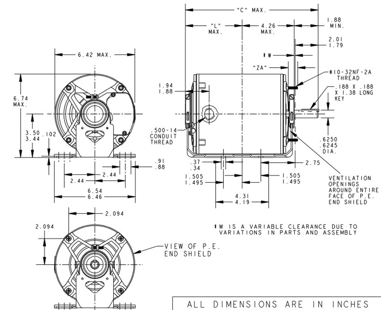
- 1/3 hp 1800/1200 RPM, 5.7/3.2 amps, 115 Volts 60 Hz, Split Phase
- NEMA 56 Frame flat Shaft 1 7/8″ x 5/8″ Diameter, 2 speed
- Service Factor = 1.35, Thermal Protection = None
- Resilient Base, Reversible, Ball Bearings, Class B insulation
- 1 Year Manufacture Warranty
Blower motors are used to blow air inside of buildings. Shaft may be vertical or horizontal. ODP = Open Drip Proof. 5KH46MN3025
















Reviews
There are no reviews yet.