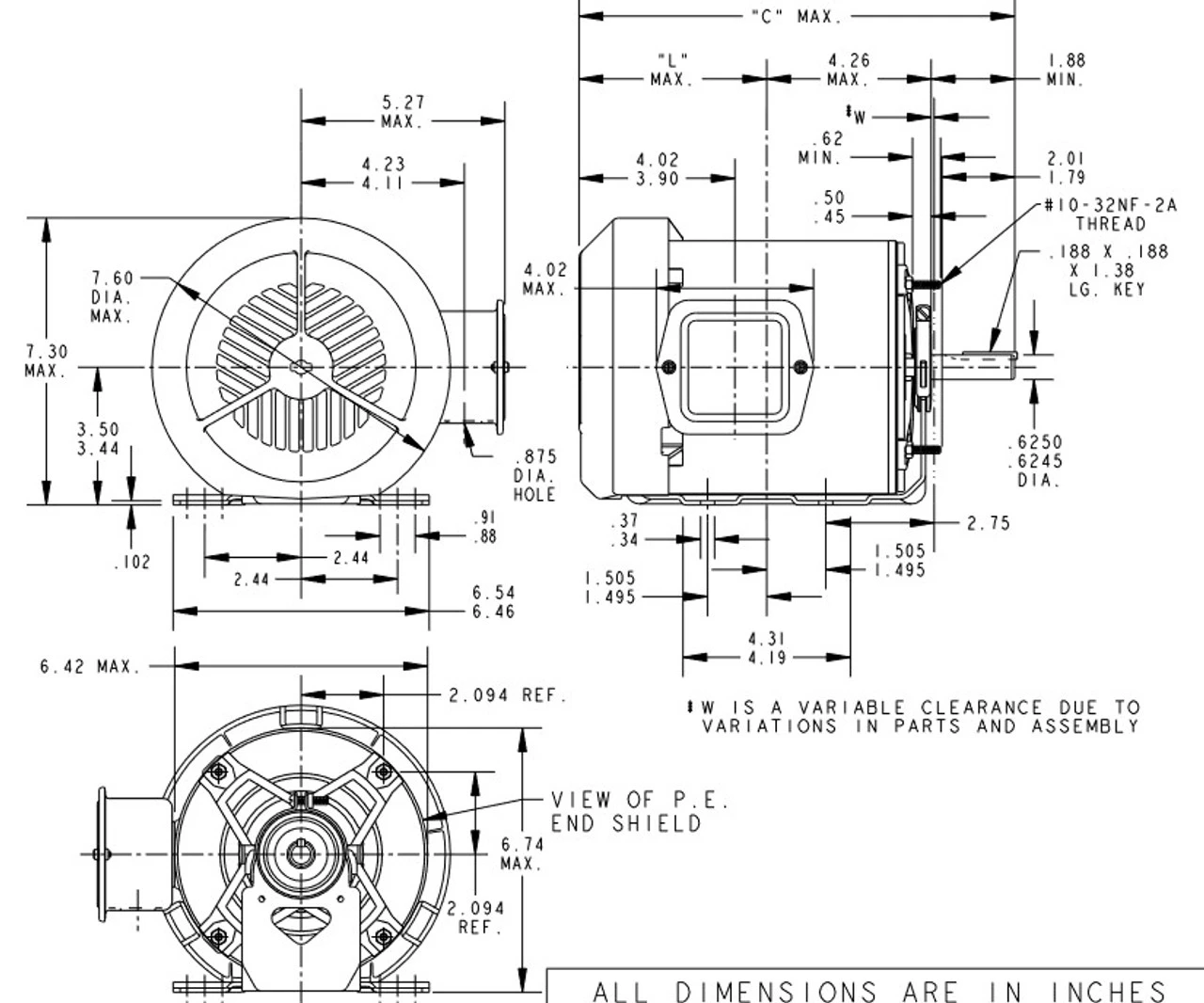
- 1/2 hp 1200 RPM, 2.6-2.6/1.3 amps, 208-230/460 Volts 60 Hz, 3 Phase
- NEMA 56 Frame Keyed Shaft 1 7/8″ x 5/8″ Diameter, 1 speed
- Service Factor = 1.0, Thermal Protection = None
- Resilient Base, Reversible, Ball Bearings, Class B insulation
- 1 Year Manufacture Warranty
Blower motors are used to blow air inside of buildings. Shaft may be vertical or horizontal. TEFC = Totally Enclosed Fan-Cooled. 5K49MN6080
















Reviews
There are no reviews yet.