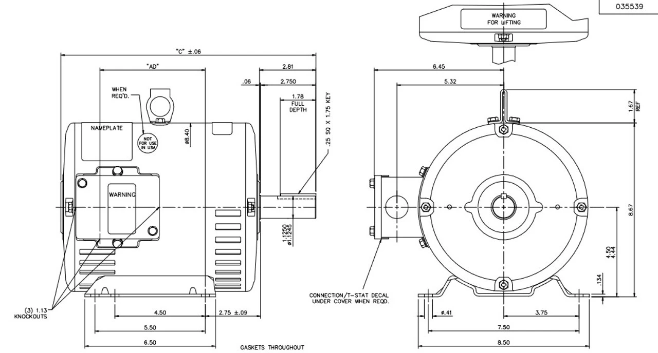
- 3 hp 1800/900 RPM, 4.0, 2.75 amps, 460 Volts 60 Hz, 3-Phase, 2 Winding
- NEMA 182T Frame, Shaft 2 7/8″ x 1 1/8″ Diameter, 2 speed
- Service Factor = 1.15, Thermal Protection = None
- Rigid Base, Reversible rotation, Ball Bearings, Class F insulation
- 1 Year Manufacture Warranty
For use on blowers and pumps having variable running loads. Shaft should be horizontal. ODP = Open Drip Proof. 184TTDW7230















Reviews
There are no reviews yet.